Fanuc CRX-5iA
Reach
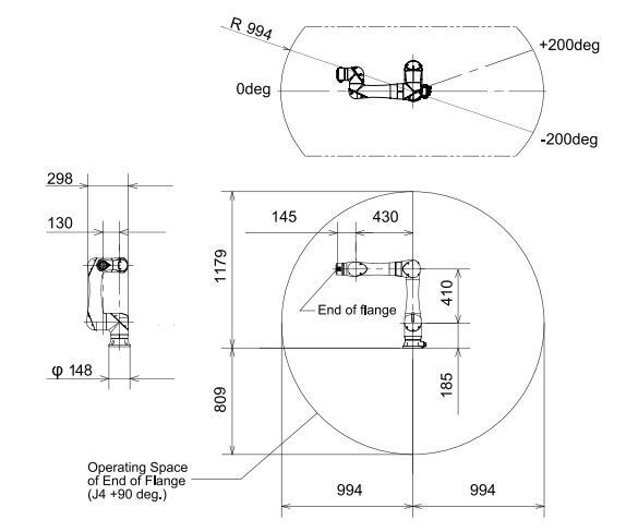
994 mm
Axes
6
Reach
994 mm
Axes
6
Details
The CRX-5iA Collaborative Robot presents an ideal answer for manufacturers who may lack prior robotic expertise. With a payload capacity of 5kg and a reach of 994mm, the CRX series introduces a fresh FANUC programming interface that employs intuitive drag-and-drop functionality via a touchscreen pendant. This user-friendly programming, combined with FANUC's renowned technology, established dependability, and advanced contact detection, enables the CRX-5iA to operate securely alongside human workers across diverse industrial and manufacturing tasks.
Specs
Reach
994 mm
Axes
6
Repeatability
0.03 mm
Mass
25 kg
Structure
Articulated
Mounting
Floor, Inverted, Angle
Motion Speed
J1
1000 °/s (17.45 rad/s)
J2
1000 °/s (17.45 rad/s)
J3
1000 °/s (17.45 rad/s)
J4
1000 °/s (17.45 rad/s)
J5
1000 °/s (17.45 rad/s)
J6
1000 °/s (17.45 rad/s)
Motion Range
J1
400
J2
360
J3
635
J4
380
J5
360
J6
450
Can’t find what you are looking for?
Call specialist on +18777626881 or write a message.
- [email protected]
- Phone
- 877-762-6881
- Office
1216 Heil Quaker Blvd
La Vergne, TN 37086
- Socials


