Fanuc M-710iB/45
Details
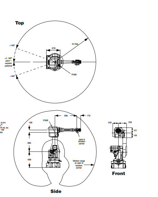
The Fanuc M-710iB/45 features a 45 kg payload and 1706 mm reach. This Fanuc M710iB/45 comes equipped with the intelligent RJ3iB controller. This robot is fast and efficient and can perform a wide variety of applications ranging from material handling to dispensing, Furthermore, the M-710iB/45 can be mounted on the floor, ceiling, or at an angle. Its compact size allows for a smaller footprint and its AC servo motors with high power to weight proportions allow for very fast speeds.
Robots.com also offers a used version of the M-710iB/45 robot. The used Fanuc M0710iB/45 has gone through an intense reconditioning process and returns to mint condition.
Specs
Motion Speed
Motion Range
Can’t find what you are looking for?
Call specialist on +18777626881 or write a message.
- [email protected]
- Phone
- 877-762-6881
- Office
1216 Heil Quaker Blvd
La Vergne, TN 37086
- Socials






