Fanuc M-710iB/70
Reach
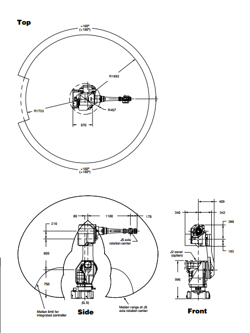
1893 mm
Axes
6
Reach
1893 mm
Axes
6
Details
The Fanuc M-710iB/70 is a versatile robot capable of material handling, dispensing, assembly, and more. The M710iB/70 features a 70 kg payload and RJ3iB controller for easier programming and custom cell user interface. This robot can be mounted on the floor or ceiling. With its compact size you will have a reduced footprint, giving you more space on your shop floor.
To save costs even further, consider a used M-710iB/70. Experts at Robots.com send every used Fanuc M710iB/70 through a thorough reconditioning process that brings the robot back to mint condition.
Specs
Reach
1893 mm
Axes
6
Repeatability
0.07 mm
Mass
745 kg
Structure
Articulated
Mounting
Floor, Inverted
Motion Speed
J1
160 °/s (2.79 rad/s)
J2
120 °/s (2.09 rad/s)
J3
120 °/s (2.09 rad/s)
J4
225 °/s (3.93 rad/s)
J5
225 °/s (3.93 rad/s)
J6
225 °/s (3.93 rad/s)
Motion Range
J1
+320° - 360°
J2
±120°
J3
±376°
J4
±540°
J5
±250°
J6
±720°
Can’t find what you are looking for?
Call specialist on +18777626881 or write a message.
- [email protected]
- Phone
- 877-762-6881
- Office
1216 Heil Quaker Blvd
La Vergne, TN 37086
- Socials










