Fanuc R-1000iA/120F-7B
Details
The Fanuc R-1000iA/120F-7B is more flexible and agile than ever. It is based on an added seventh axis in its second arm, making it the perfect solution for material handling and spot welding applications. The seventh axis of the Fanuc R-1000iA120F-7B enables it to shorten and fold its second arm, providing the ability to operate within small work cells, providing the same cycle times as the six-axis.
Furthermore, the R-1000iA/120F-7B is strong, agile, and capable of handling payloads up to 120 kg while offering the possibility to fold back the arm without changing its gun positioning. This robot is perfect for handling heavy payloads and completing complex tasks.
The R-30iB controller is very compact and stackable to help you save even more floorspace. It can also be used with the iPendant Touch, provide a maximized energy savings, and provide enhanced productivity.
Specs
Motion Speed
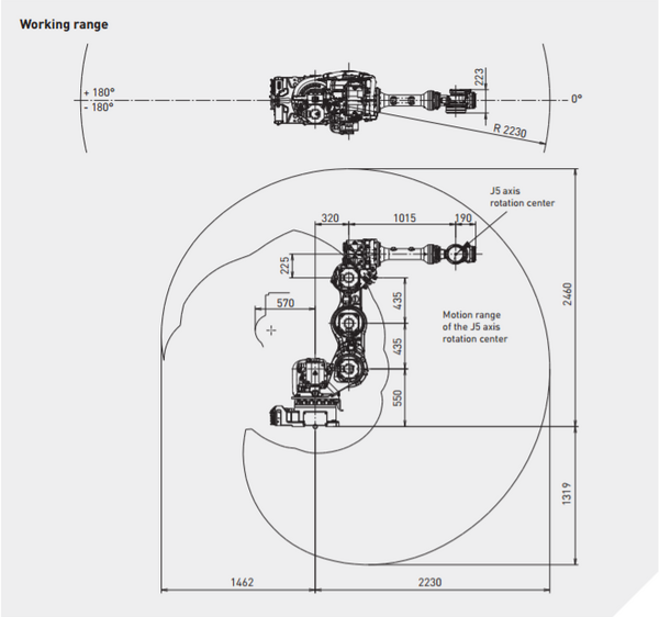
Motion Range
Can’t find what you are looking for?
Call specialist on +18777626881 or write a message.
- [email protected]
- Phone
- 877-762-6881
- Office
1216 Heil Quaker Blvd
La Vergne, TN 37086
- Socials










