KUKA KR 60 L16-2 KS
Details
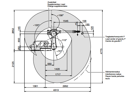
The KR 60 L 16-2 KS is a swift, efficient, and tireless worker that handle up to 16 kg in payload and has a long reach of up to 2952 mm!
The KR 60 L 16-2 KS is the perfect solution for any application that requires something that can tackle hard to reach places. It is a shelf mounted, long reach robot that has a slim arm to easily reach into those tight spaces, especially a vehicle body. Once inside the body, this arm can precisely carry out a variety of functions such as the consistent application of adhesives or sealants.
It is paired with the KR C4 controller and ready to help provide a consistent, quality tool for those slim spaces!
Specs
Motion Speed
Motion Range
Can’t find what you are looking for?
Call specialist on +18777626881 or write a message.
- [email protected]
- Phone
- 877-762-6881
- Office
1216 Heil Quaker Blvd
La Vergne, TN 37086
- Socials






