KUKA KR 210
Reach
2700 mm
Axes
6
Reach
2700 mm
Axes
6
Details
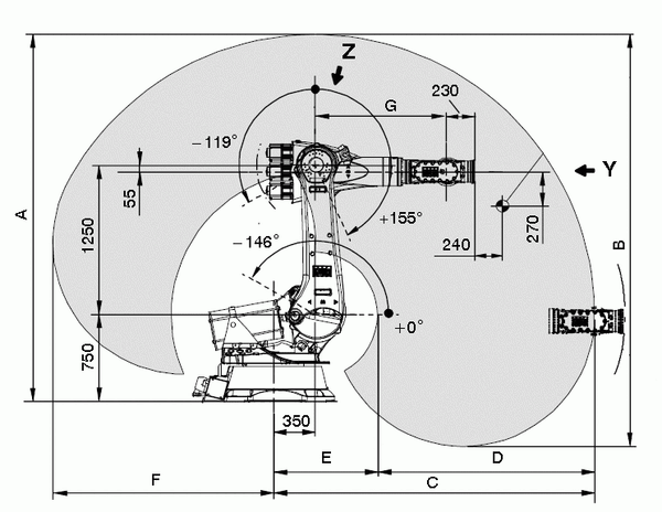
The KUKA KR 210 industrial robot arm is a high payload solution for serious industrial applications. With a high payload of 210 kg and a massive reach of 2700 mm, the KR 210 KR C2 robot is ideal for a foundry setting. In fact, a foundry wrist with IP 67 protection is available with the KR 210 KR C2 instead of the standard IP 65 wrist.
Specs
Reach
2700 mm
Axes
6
Repeatability
0.12 mm
Mass
1267 kg
Structure
Articulated
Mounting
Floor, Inverted
Motion Speed
J1
86 °/s (1.5 rad/s)
J2
84 °/s (1.47 rad/s)
J3
84 °/s (1.47 rad/s)
J4
100 °/s (1.75 rad/s)
J5
110 °/s (1.92 rad/s)
J6
184 °/s (3.21 rad/s)
Motion Range
J1
±185°
J3
+155° - 119°
J4
±350°
J5
±125°
J6
±350°
Can’t find what you are looking for?
Call specialist on +18777626881 or write a message.
- [email protected]
- Phone
- 877-762-6881
- Office
1216 Heil Quaker Blvd
La Vergne, TN 37086
- Socials








