KUKA KR 30-4 KS
Details
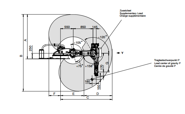
The KR 30-4 KS is a shelf mounted robot that can provide accurate and powerful movements for low to medium payload tasks. It can handle up to 30 kg in payload and has a 2233 mm reach. Also, the KR 30-4 KS has a small footprint which give you space-saving efficiency for conquering a variety of diverse tasks and applications, such as cutting, dispensing, machine tending, and material handling.
Shelf mounted robots offer flexibility and more opportunity as they can be integrated into an injection-molding machine, a die-casting machine, or a machine tool. This one is paired with the KR C4 controller and is ready to bring your floor incredible productivity.
Specs
Motion Speed
Motion Range
Can’t find what you are looking for?
Call specialist on +18777626881 or write a message.
- [email protected]
- Phone
- 877-762-6881
- Office
1216 Heil Quaker Blvd
La Vergne, TN 37086
- Socials






