KUKA KR 360
Reach
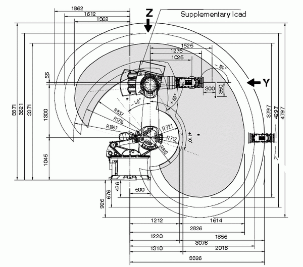
2826 mm
Axes
6
Reach
2826 mm
Axes
6
Details
The KUKA KR 360 is a heavy duty robot with a lot of options! This Kuka KR 360 KR C2 arm has a generous payload of 360 kg and a long reach of 2826 mm. The KR 360 Kuka robot can be floor or ceiling mounted to allow for effective use of existing floorspace.
A foundry version of the KR 360 KR C2 is available for volatile conditions. These variants are heat and water resistant. The Kuka KR 360 heavy duty robot is highly adaptable to cleanroom use and other ambient conditions.
Specs
Reach
2826 mm
Axes
6
Repeatability
0.15 mm
Mass
2350 kg
Structure
Articulated
Mounting
Floor, Inverted
Motion Speed
J1
89 °/s (1.55 rad/s)
J2
89 °/s (1.55 rad/s)
J3
93 °/s (1.62 rad/s)
J4
109 °/s (1.9 rad/s)
J5
112 °/s (1.95 rad/s)
J6
157 °/s (2.74 rad/s)
Motion Range
J1
±185°
J2
+110° - 40°
J3
+60° - 184°
J4
±350°
J5
±118°
J6
±350°
Can’t find what you are looking for?
Call specialist on +18777626881 or write a message.
- [email protected]
- Phone
- 877-762-6881
- Office
1216 Heil Quaker Blvd
La Vergne, TN 37086
- Socials








