KUKA KR 60-3 F
Reach
2041 mm
Axes
6
Reach
2041 mm
Axes
6
Specs
Reach
2041 mm
Axes
6
Repeatability
0.06 mm
Mass
880 kg
Structure
Articulated
Mounting
Floor, Inverted
Motion Speed
J1
128 °/s (2.23 rad/s)
J2
102 °/s (1.78 rad/s)
J3
128 °/s (2.23 rad/s)
J4
260 °/s (4.54 rad/s)
J5
245 °/s (4.28 rad/s)
J6
322 °/s (5.62 rad/s)
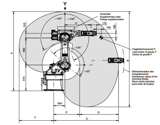
Motion Range
J1
±185°
J2
+35° - 135°
J3
+158° - 120°
J4
±350°
J5
±119°
J6
±350°
Can’t find what you are looking for?
Call specialist on +18777626881 or write a message.
- [email protected]
- Phone
- 877-762-6881
- Office
1216 Heil Quaker Blvd
La Vergne, TN 37086
- Socials






