Motoman HP20F
Details
The Motoman HP20F is a high speed robot featuring a 20 kg payload. With a powerful design and slim base, the Motoman HP20F is ideal for machine tending, cutting, material handling, and packaging applications.
The Motoman HP20F can be mounted to the floor, wall, or ceiling to increase the versatility of your system and improve production rates. The HP20F is an exceptionally fast robot, which means manufacturers can expect decreased cycle times and increased efficiency during operation.
Controlled by the powerful, yet compact, FS100 controller, the Motoman HP20F is a precise, fast robot that is small enough to fit into almost any shop.
Specs
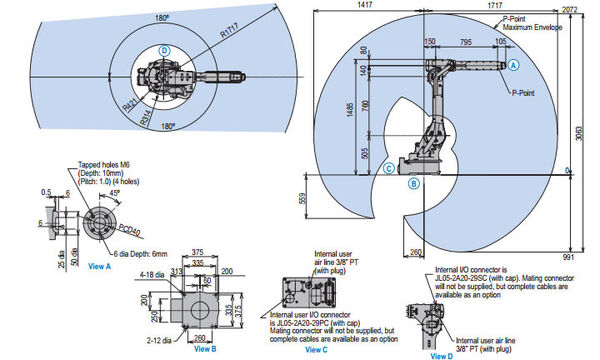
Motion Speed
Motion Range
Can’t find what you are looking for?
Call specialist on +18777626881 or write a message.
- [email protected]
- Phone
- 877-762-6881
- Office
1216 Heil Quaker Blvd
La Vergne, TN 37086
- Socials




