Motoman MPK2F
Reach
900 mm
Axes
5
Reach
900 mm
Axes
5
Details
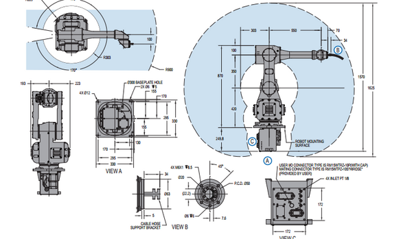
The Motoman MPK2F is a 5-axis, high performance robot. Ideal for high speed picking and packaging of food and consumer goods, the Motoman MPK2F is sure to increase your production. The Motoman MPK2F has a 2 kg payload, 900 mm horizontal reach, and comes with the advanced FS100 controller.
This MPK2F robot has an IP67 rating, and is approved by the National Sanitation Foundation for food applications. Able to be mounted on the floor, ceiling, or wall, this robot is very versatile. If you are looking for a safe robot to handle food products, this may be the perfect robot for you.
Specs
Reach
900 mm
Axes
5
Repeatability
0.5 mm
Mass
72 kg
Structure
Articulated
Mounting
Floor, Inverted, Angle
Motion Speed
J1
320 °/s (5.59 rad/s)
J2
330 °/s (5.76 rad/s)
J3
330 °/s (5.76 rad/s)
J4
380 °/s (6.63 rad/s)
J5
2000 °/s (34.91 rad/s)
Motion Range
J1
±170°
J2
±120°
J3
+282° - 102°
J4
±150°
J5
±270°
Can’t find what you are looking for?
Call specialist on +18777626881 or write a message.
- [email protected]
- Phone
- 877-762-6881
- Office
1216 Heil Quaker Blvd
La Vergne, TN 37086
- Socials






