Motoman MPK2F-5
Reach
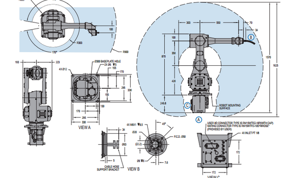
900 mm
Axes
5
Reach
900 mm
Axes
5
Details
The Motoman MPK2F-5 is a fast and flexible food picking robot. With a higher payload of 5kg, this MPK2F5 robot can handle heavier products. The Motoman MPK2F-5 has an IP67 rating and NSF-H1 certified food-grade grease, proving safe to handle food items.
Its wrist speed of 2000 degrees per second results in high production, while its hollow arm design guarantees reliability. The MPK2F-5 has an energy saving design that does not require compressed air for cooling which can be quite expensive. If you are looking for a fast food picking robot that can handle heavier payloads, the Motoman MPK2F-5 is a perfect fit.
Specs
Reach
900 mm
Axes
5
Repeatability
0.5 mm
Mass
72 kg
Structure
Articulated
Mounting
Floor, Inverted, Angle
Motion Speed
J1
320 °/s (5.59 rad/s)
J2
330 °/s (5.76 rad/s)
J3
330 °/s (5.76 rad/s)
J4
380 °/s (6.63 rad/s)
J5
2000 °/s (34.91 rad/s)
Motion Range
J1
±170°
J2
±120°
J3
+60° - 102°
J4
±15°
J5
±270°
Can’t find what you are looking for?
Call specialist on +18777626881 or write a message.
- [email protected]
- Phone
- 877-762-6881
- Office
1216 Heil Quaker Blvd
La Vergne, TN 37086
- Socials






