Motoman MS80W
Details
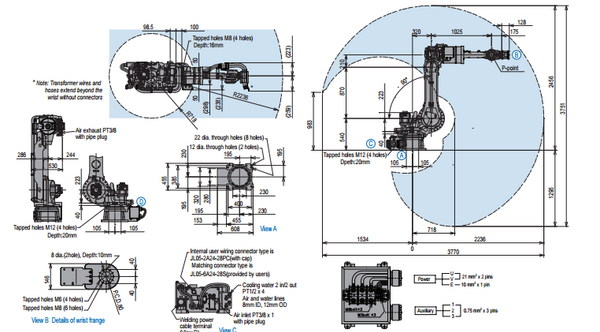
There is no denying the huge benefits and reasons to add the "master spot" welder MS80W into your automation line. To begin with, it has an 80 kg payload, reduced cycle times, and boasts speeds 43% faster than other large payload robots. The MS80W also has a small footprint and is very compact, both which make it ideal for high-density layouts. Also, there is flexibility with the design of the offset lower arm which enables the MS80W to be able to be shelf mounted, if necessary.
Add a MS80W into your facility, and instantly see a 50% combined power savings when compared with traditional robots because it can be used with the lighter, more efficient, DC gun. These guns are available in X- or C- configurations with 600 kg clamping force.
There are two variants available of the MS80W to help perfectly meet your specific needs.
The MS80W (SW) is the spot welding option that is up to 43% faster than competing heavy-payload robots. The MS80W (MH) is a multipurpose version that provides a wide range of applications with power and high-speeds, such as dispensing, machine tending, material cutting, material handling, and press tending.
The DX100 Controller is paired with all variants of the MS80W and it can support up to 8 robots/72 axes.
Specs
Motion Speed
Motion Range
Applications
Can’t find what you are looking for?
Call specialist on +18777626881 or write a message.
- [email protected]
- Phone
- 877-762-6881
- Office
1216 Heil Quaker Blvd
La Vergne, TN 37086
- Socials






