Motoman SIA20F
Reach
910 mm
Axes
7
Reach
910 mm
Axes
7
Details
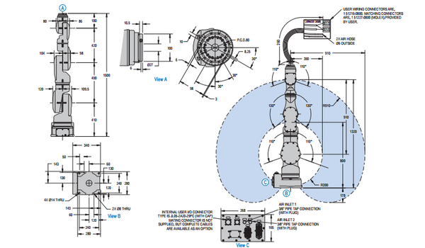
The Motoman SIA20F FS100 is a 7-axis robot, ideal for a variety of applications ranging from assembly to packaging and inspection. The SIA20F earned "best-in-class" wrist performance and is slim, compact, and powerful. Able to handle up to 20 kg, this robot arm can move fast and fit in tight areas. The Motoman SIA20F comes with the small, compact, FS100 controller and has high-speed I/O response and high resolution timers. If you are looking for advanced part transferor packaging automation on small objects, the Motoman SIA20F FS100 may be just what you need.
Specs
Reach
910 mm
Axes
7
Repeatability
0.1 mm
Mass
120 kg
Structure
Articulated
Mounting
Floor, Inverted, Angle
Motion Speed
J1
130 °/s (2.27 rad/s)
J2
130 °/s (2.27 rad/s)
J3
170 °/s (2.97 rad/s)
J4
170 °/s (2.97 rad/s)
J5
200 °/s (3.49 rad/s)
J6
200 °/s (3.49 rad/s)
Motion Range
J1
±180°
J2
±110°
J3
±170°
J4
±130°
J5
±180°
J6
±110°
Can’t find what you are looking for?
Call specialist on +18777626881 or write a message.
- [email protected]
- Phone
- 877-762-6881
- Office
1216 Heil Quaker Blvd
La Vergne, TN 37086
- Socials




