Motoman VA1400 II
Details
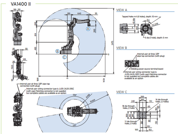
The Motoman VA1400 II is a 7-axis robot capable of high speed arc welding. The Motoman VA1400 II has a streamlined design for better torch access into tight spaces along with improved reach and flexibility. It has integrated through-arm cabling that eliminates cable interference and simplifies programming. The VA1400 II comes equipped with the DX200 controller and can handle a 3 kg payload.
Specs
Reach
1434 mm
Axes
7
Repeatability
0.08 mm
Mass
150 kg
Structure
Articulated
Mounting
Floor, Inverted, Angle
Motion Speed
J1
220 °/s (3.84 rad/s)
J2
200 °/s (3.49 rad/s)
J3
220 °/s (3.84 rad/s)
J4
410 °/s (7.16 rad/s)
J5
410 °/s (7.16 rad/s)
J6
610 °/s (10.65 rad/s)
Motion Range
J1
±170°
J2
+148° - 70°
J3
+150° - 175°
J4
±150°
J5
+180° - 45°
J6
±200°
Applications
Can’t find what you are looking for?
Call specialist on +18777626881 or write a message.
- [email protected]
- Phone
- 877-762-6881
- Office
1216 Heil Quaker Blvd
La Vergne, TN 37086
- Socials






